DS 5-DN TAS 24 DC
Product number:
23106800162
The sounders from the DS series are designed for the requirements of industrial conditions and can be used as universal alarms. The sounders which are suitable for use both indoors and outdoors, generate warning signals in 31 different tones that can be selected with the aid of an internal switch. Pressure chamber-sound system: Outstanding penetration of audible obstacles like walls and doors, high proportion of low frequencies. Therefore, a smaller number of sounders is needed. They are particularly suitable for fire alerting, as they are VdS and EN 54-3 certified. Aluminium housing with high IP protection (IP 66/67): Wide application range (dust and fog). Secure use in the outdoor area with highest reliability.
- with external tone selection via closed function of the control voltage (TAS)
- SIL: For use in safety instrumented systems (SIS) up to SIL 2 / PLd
- 3G/3D: for use in potentially explosive areas in zones 2 and 22
- External tone selection (2 versions) to control several tones over larger distances in 2 versions: TAS: for all voltages = potential-free closed function
- LSR - Volume control
- UL approval
- DN - 2 volume levels that can be controlled externally, e.g. for automised day/night alternating operation
TECHNICAL DATA
Technical Data
- AS-i
- not specified
- M12-connection
- not specified
- Monitored
- not specified
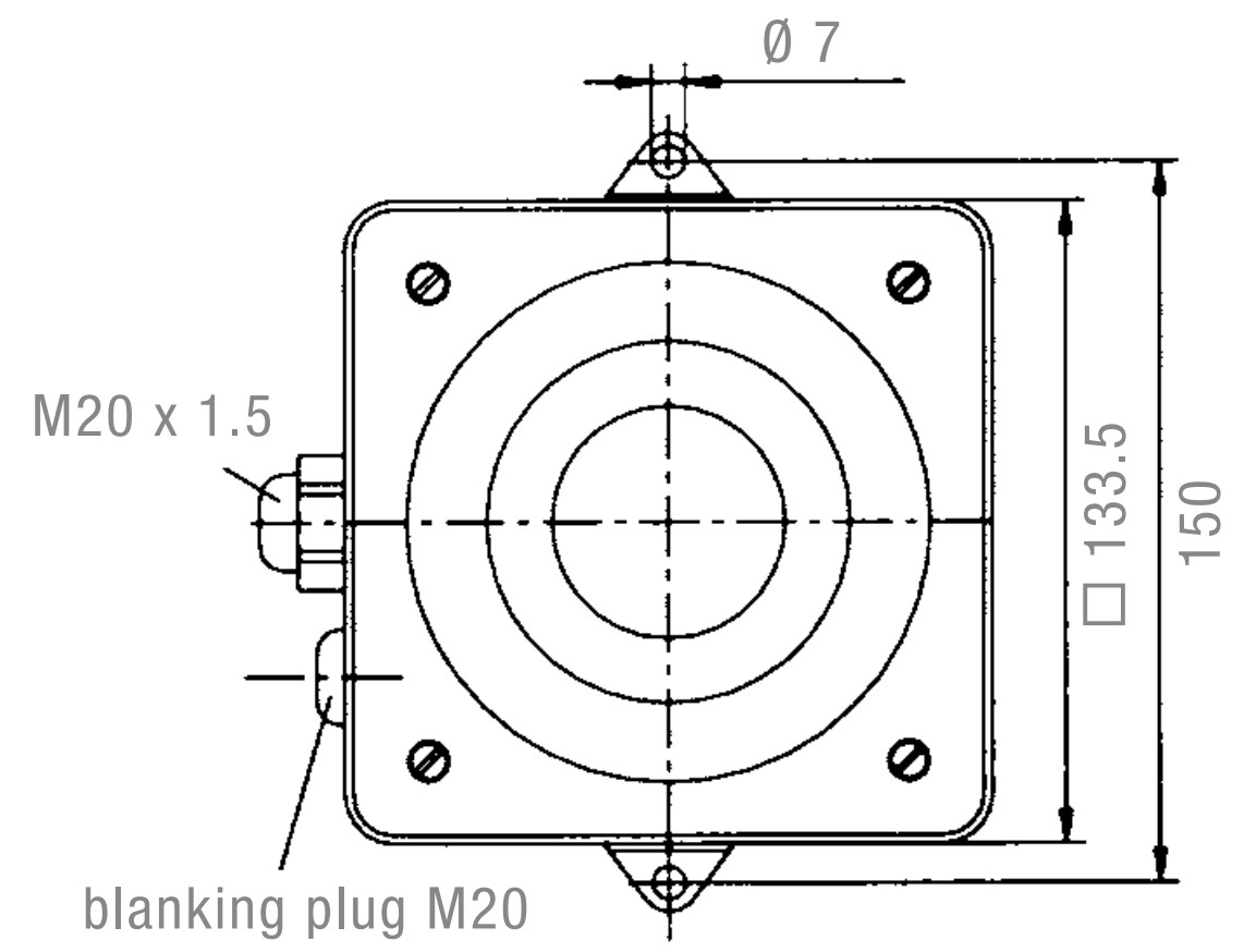
- Dimensions (H | W | D) mm
- 133 mm | 170 mm | 143 mm
- Weight (without packaging) kg
- 1,8 kg
- ETIM-Class
- EC001354
- AS-i
- not specified
- M12-connection
- not specified
- Monitored
- not specified
- ETIM-Class
- EC001354
Technical Data
TECHNICAL DRAWINGS
Technical Drawings
DOWNLOADS
Downloads
| Description | Language | Type | Size | Link |
|---|---|---|---|---|
| Product_Sheet_DE_DS5_DN | German | 1.39 MB | Download | |
| 3D-model_STEP_DS5_10 | Englisch | ZIP | 150.64 KB | Download |
| 3D-model_SAT_DS5_10 | German | ZIP | 159.03 KB | Download |
| Manual_DS5_DS10 | German | 4.42 MB | Download | |
| EAC_Certificate_Signaling | Englisch | 293.12 KB | Download | |
| Product_Sheet_EN_DS5_DN | Englisch | 1.39 MB | Download | |
| 3D-model_STEP_DS5_10 | German | ZIP | 150.64 KB | Download |
| Manual_DS5_DS10 | Englisch | 4.42 MB | Download | |
| VdS_Approval_DS | Englisch | 496.54 KB | Download | |
| VdS_Approval_DS | German | 496.54 KB | Download | |
| 3D-model_IGS_DS5_10 | German | ZIP | 222.21 KB | Download |
| 3D-model_IGS_DS5_10 | Englisch | ZIP | 222.21 KB | Download |
| 3D-model_SAT_DS5_10 | Englisch | ZIP | 159.03 KB | Download |
| EAC_Certificate_Signaling | German | 293.12 KB | Download |