PFH-T PTC Fan Heaters | up to 1200W
PFH-T 500 230V Compact Fan Heater With Thermostat
AC 230,
Product number:
17050710034
The fan heaters from the PFH-T series with integrated thermostat are up to state-of-the-art heating technology and are used in electrical cabinets to maintain a minimum temperature in cold environments and/or to prevent the formation of condensation. The unique compact design enables the use in electrical cabinets with very limited space. Due to the fan and the high heat performance, the heaters are ideal for large electrical cabinets. Due to the integrated thermostat no extra space is necessary.
The advantages of the series at a glance:
- Fan heaters of the newest generation
- High heating performance in compact housing 200 - 1200W
- Very compact design, particularly suitable for smaller electrical cabinets
- Plastic housing protects against injuries
- Heating performance is available quickly due to use of PTC elements
- Electrical connection via spring-type terminal
- Operating temperature -40C bis 70C
- Fixed value thermostat can be retrofitted (5C, 15C or 25C)
- Quick installation everywhere where there is space with screws or DIN-profile bars
- Approvals: cURus, EAC, CSA
TECHNICAL DATA
Technical Data
- Rated voltage V ±10 %
- AC 230
- Rated frequency Hz ±1 %
- 50 Hz | 60 Hz
- Heating performance W
- 500 W
- Max. starting current A
- 20 A
- Max. surface temperature °C
- 55 °C
- With fan
- yes
- With thermostat
- yes
- Operating temperature °C
- -40 °C ... +70 °C
- System of protection for intended purpose of use
- IP IP20
- Electrical protection class
- 2
- Housing material
- plastic UL 94V-O, black
- Type of mounting
- snap fastening for 35 mm profile bars according to EN 60715, 4 x M5 screws (NOt included)
- Type of connection
- plug terminal connector
- Weight (without packaging) kg
- 0,8 kg
- Dimensions (H | W | D) mm
- 142 mm | 88 mm | 139 mm
- Width mm
- 88 mm
- Height mm
- 142 mm
- Depth mm
- 139 mm
- UL-file numbers
- E175229,E250750
- ETIM-Class
- EC000737
- Rated voltage V ±10 %
- AC 230
- Rated frequency Hz ±1 %
- 50 Hz | 60 Hz
- Heating performance (Ta = +20 °C)
- 500 W
- Max. starting current
- 20 A
- Max. surface temperature
- 131 °F
- With fan
- yes
- With thermostat
- yes
- Operating temperature
- -40 °F ... +158 °F
- System of protection for intended purpose of use
- IP IP20
- Electrical protection class
- 2
- Housing material
- plastic UL 94V-O, black
- Type of mounting
- snap fastening for 35 mm profile bars according to EN 60715, 4 x M5 screws (NOt included)
- Type of connection
- plug terminal connector
- Weight (without packaging)
- 1.76 lbs
- Dimensions (H | W | D)
- 5.59 in. | 3.47 in. | 5.47 in.
- Width
- 3.47 in.
- Height
- 5.59 in.
- Depth
- 5.47 in.
- UL-file numbers
- E175229,E250750
- ETIM-Class
- EC000737
Technical Data
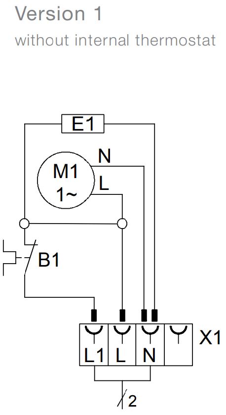
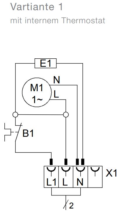
TECHNICAL DRAWINGS
Technical Drawings
DOWNLOADS
Downloads
| Description | Language | Type | Size | Link |
|---|---|---|---|---|
| 3D-model_STEP_PFH-T | German | ZIP | 4.93 MB | Download |
| Product_Sheet_EN_PFH-T | Englisch | 664.34 KB | Download | |
| EC_Declaration_Fan-heater_085506614 | Englisch | 53.31 KB | Download | |
| CSA_Certificate_PFH-x | German | 177.56 KB | Download | |
| CSA_Certificate_PFH-x | Englisch | 177.56 KB | Download | |
| 3D-model_STEP_PFH-T | Englisch | ZIP | 4.93 MB | Download |
| Manual_PFH-T | German | 371.14 KB | Download | |
| EC_Declaration_Fan-heater_085506614 | German | 53.31 KB | Download | |
| UL_Certificate_PFH_T | Englisch | 208.35 KB | Download | |
| UL_Certificate_PFH | German | 287.7 KB | Download | |
| UL_Certificate_PFH | Englisch | 287.7 KB | Download | |
| UL_Certificate_PFH_T | German | 208.35 KB | Download | |
| Product_Sheet_DE_PFH-T | German | 666.66 KB | Download | |
| Manual_PFH-T | Englisch | 371.14 KB | Download |